 |
 |
 |
|
Fonctions logiques à diodes:
Structure ET et Structure OU et association des deux structures pour
matérialiser des équations logiques telles qu'elles peuvent être
issues d'un tableau de Karnaugh |
En 1975
Signetics sort le premier circuit logique programmable.
Depuis sa création en 1961, par 4 ingénieurs, émanation de Fairchild, la
société signetics qui s'était spécialisée dans les circuits intégrés à la
demande mais qui se voyait de plus en plus en difficulté fut sauvée par l'armée
américaine. Cette dernière récemment convaincue de l'importance d'utiliser des
circuits intégrés dans ses systèmes afin de réduire: poids, encombrement et
consommation s'orienta vers Signetics en 1963 qui pouvait répondre à sa demande
de circuits spéciaux . Des 1964 les commandes militaires améliorèrent la caisse
et la réputation.
En 1975 Signetics commercialise le premier circuit de logiques programmable , le
FPLA (Field Programmable Logic Array ) 82S100. Le schéma interne est voisin des fonctions représentées ci dessus les
variables d'entrées (ci dessus A et B, ) sont au nombre de 16. Ces 16 entrées et
leur inverse vont pouvoir
être dirigées vers 48 fonctions ET de 1 à 16 entrées, ces 48 portes
ET convergent
vers 8 OU qui vont constituer les sorties. Chaque entrée et son inverse est
reliées aux 48 ET par des fusibles en Ni-Cr qui seront
ou maintenus ou claqués par le programmateur , chaque sortie ET est envoyée vers
les entrées des 8 OU par l'intermédiaire de fusibles qui seront
maintenus ou claqués à la programmation.
La première matrice de connexion comportait donc
32 lignes
horizontales
qui se croisaient avec
768 lignes verticales
, à chaque intersection un fusible de NiC ( 24 576) et les 48
sorties ET se croisaient avec les 8 fois 48 entrées des portes OU
soit 18 432 fusibles.
Quelques caractéristiques du 82S100
 |
 |
 |
|
Le FPLA 82S100 de Signetics |
La
technologie employée par Signetics ( RTC - Philips...)
utilise des diodes schotky pour réaliser les portes ET et
des transistors montés en émetteur suiveur pour les portes
OU |
En 1978 MMI (Monolithic
Memories) introduit le PAL
Ce sont des circuits programmables dans lesquels seules les portes
ET peuvent être connectées aux entrées ou à leur complément . En
fait, comme le FPLA les portes ET à l'état vierge sont connectées à
toutes les entrées et leur complément , la programmation consiste à
éliminer les connexions inutiles en claquant les fusibles qui
assurent cette connexion. Les portes OU connectées aux sorties ne
sont pas programmables . Ces circuits plus simples que les
précédents sont sensés être plus rapides et notamment moins chers

Les PAL se complexifient avec le temps et notamment par l'introduction
de registres qui vont permettre de mémoriser des sorties pour les
réinjecter sur les entrées et ainsi en faire une " machine d'états"
c'est à dire que le circuit n'est plus simplement combinatoire, il
devient séquentiel . Les sorties ne sont plus simplement une combinaison
des variables d'entrées mais aussi dépendantes de l'état antérieur du
circuit. L'introduction de registres sur les entrées permet un
synchronisme de l'apparition des variables et évite des fluctuations du
circuit
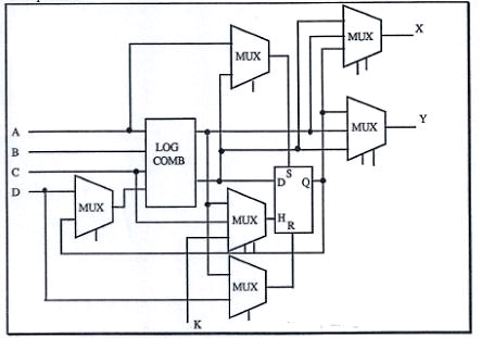
Les
FPGA sont plus évolués que les circuits précédents , ils sont
composés de cellules dont la taille est très différente d'un fabriquant
à l'autre. La granulométrie est un indicateur de la taille des
cellules. La granulométrie va de la plus fine chez Actel à la plus
grosse chez Xilinx ou Altera . Chaque option a ses avantages et ses
inconvénients. Une granulométrie fine suppose une meilleure utilisation
de l'ensemble des cellules du circuit mais une place importante utilisée
pour les interconnexions . Une grosse granulométrie peut mener à
utiliser une cellule très importante pour faire une simple porte ET
|
cellules et interconnexion
des cellules |
 |
 |
|
 |
 |
 |
|
ACTEL
Technologie antifusible. Aucune connexion n'est faite à l'état
vierge. La connexion sont réalisées par mise en court-circuit
des antifusibles.
Avantage: pas de métal diffusé dans l'environnement de la
puce pouvant se déposer de façon aléatoire. Processus sûr
notamment pour du matériel aéronautique notamment .
Inconvénient: programmable une seule fois
point 2016 on relève un circuit comportant 146 124
cellules avec 574 E/S |
XILINX (maintenant INTEL)
Le programme est
contenu dans un circuit annexe et se transfère à la mise
sous tension, technologie des RAMs statiques
Avantage: le circuit est reprogrammable à l'infini.
Particulièrement appréciable lors de la mise au point d'un
montage.
Inconvénient: Système à la merci de perturbations
électromagnétiques lors du transfert de la configuration du
circuit à chaque mise sous tension
point 2016 on relève un circuit comportant 3 578 cellules
avec 832 E/S |
ALTERA
Technologie EPROM
point 2016 on relève un circuit comportant 5 510 000
cellules avec 1 640 E/S |