AOP
Les amplificateurs opérationnels ou ampli différentiel intégrés sont généralement représenté par le symbole ci dessous:
![]() |
![]() |
| Figures extraites de wikipédia | |
L'amplificateur opérationnel (que nous appellerons AOP ) amplifie la
différence de signal entre ses deux entrées + et - avec un gain
considérable. Ce qui va permettre lors de calculs ou de réalisation de
schémas d'émettre l'hypothèse que si la sortie de l'AOP n'est pas saturée,
(proche des tensions d'alimentation Vcc+ et Vcc- ) alors la différence de
potentiel entre les deux entrées est extrêmement faible et négligeable dans
les calculs.
La première famille d'Amplificateurs opérationnels fut réalisée à l'aide de transistors bipolaires (voir en fin de fiche le tableau comparatif)
Les AOP μA702 et μA709
En 1963 Fairchild commercialise le premier
AOP , le μA702 . Il a été conçu par Robert
dit Bob Widlar
Robert Widlar est un ingénieur électricien américain (1937 - 1991) assez
facétieux , il va concevoir chez Fairchild plusieurs ampli op Il était
l'enfant terrible de la Silicon Valley .(photo de gauche)
Le μA702 commença sa carrière commerciale , qui fut brève, à 300$
En 1965 c'est la sortie du
μA709 qui est proposé à 70$ il se vend bien et même
très bien. Fairchild a 2 ans de commandes d'avance
cependant ces AOP présentent plusieurs défauts , ils ne sont pas compensés
et sont très instables , ils ne sont pas protégés , un court-circuit peut
leur être fatal.
En novembre 1965 National Semiconductor recrute Widlar bien que Fairchild ait essayé de le retenir , Noyce continua à lui verser son salaire jusqu'en avril 1966 espérant qu'il reviendrait, mais l'offre de NS était allèchante
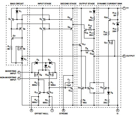
L'AOP μA741
En 1966 David Fullagar (photo de droite) rejoint Fairchild sont objectif , le μA741 en effet les familles 702 - 709 n'était pas compensées en fréquence aussi leur emploi était-il un peu compliqué, ils étaient très instables, une compensation en fréquence était nécessaire et il n'étaient pas protégés des court-circuits.
David Fullagar conçut un amplificateur avec une compensation interne qui permit à tout utilisateur d'employer un Ampli Op dans des schémas ultra simples même sans être un analogicien accompli de plus il peut supporter un courant de court-circuit indéfiniment. Le μa741 est encore produit actuellement, certainement en quantité réduite et pour un prix très modique, durant les années 90 son prix n'était pas beaucoup plus qu'un franc.
![]() |
![]() |
| Figures extraites de wikipédia | |
Seconde famille les BIFET
La seconde famille d'amplificateurs opérationnels associe sur la même puce transistors à effet de champ à jonction (JFET - Jonction Field Effect Transistor) pour les entrées et les transistors bipolaires pour le reste et notamment les sorties. Ils prennent le nom de Bifet (bipolaires + fet)
Exemple:
le BIFET très employé le TL081
Schéma interne du TL081
(documentation Texas Instrument ) comme le 741 le TL081 est compensé
en fréquence

Troisième famille les Bimos
La troisième famille associe
sur la même puce transistors à effet de champ PMOS (transistor Metal Oxyde
Semiconductor canal P ) et transistors bipolaires. Cette technologie permet
entre autre d'accroître l'impédance d'entrée de l'amplificateur
Schéma interne du CA3140 (documentation Intersil)

Tableau comparatif de ces trois circuits à partir de quelques
caractéristiques
| Type | Impédance d'entrée | Courants d'entrée | Slow Rate | Produit Gain Bande | Courant de court circuit | |
| μA741 | Bipolaire | 2 kΩ | 80nA | 0,5 V/μs | 1 Mhz | 25mA |
| TL081 | Bifet | 1012Ω | 20nA | 16 V/μs | 4 Mhz | 40mA |
| CA3140 | Bimos | 1012Ω | 10pA | 9 V/μs | 4,5Mhz | 40mA |
Pour en savoir plus sur les amplificateurs opérationnels et l'électronique analogique en général nous vous recommandons les ouvrages de Michel Girard qui a publiés chez Mac Graw Hill une série d'ouvrages d'électronique analogique dont deux tomes sont consacrés aux amplificateurs opérationnels.
Les étapes jusqu'aux CCD
|